1. Disconnect the negative battery cable.
2. Discharge the refrigerant from the system. (See RECOVERY.) (See CHARGING.)
3. Drain the engine coolant. (See ENGINE COOLANT REPLACEMENT.)
4. Remove the dashboard. (See DASHBOARD REMOVAL/INSTALLATION.)
5. Remove the theft-deterrent control module. (See THEFT-DETERRENT CONTROL MODULE REMOVAL/INSTALLATION.)
Caution
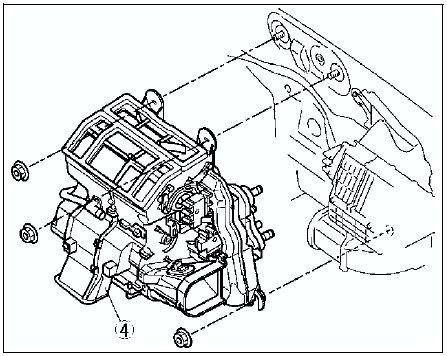
6. Remove in the order indicated in the table. Do not allow compressor oil to spill.






7. Install in the reverse order of removal.
8. Perform the refrigerant system performance test. (See REFRIGERANT SYSTEM PERFORMANCE TEST.)
A/C Unit Installation Note
When installing a new A/C unit or evaporator, add a supplemental amount of ATMOS GU10 compressor oil into the refrigerant cycle.
Supplemental amount (approximate quantity) 25 ml {25 cc, 0.8 fl oz}
Air filter inspection
A/c unit disassembly/assemblyMazda 6 Service Manual: Power brake unit removal/installation
1. Remove the master cylinder. (See MASTER CYLINDER REMOVAL/INSTALLATION.)
2. Remove the wiper arm. (See WINDSHIELD WIPER ARM AND BLADE
REMOVAL/INSTALLATION.)
3. Remove the cowl grille. (See COWL GRILLE REMOVAL/INSTALLATION.)
4. Remove the wiper motor. (See WINDSHIELD WIPER MOTOR REMOVAL/INSTAL ...
Mazda 6 Service Manual: Variable intake-air system (vis) shutter valve actuator inspection (l3)
1. Remove the air hose. (See INTAKE-AIR SYSTEM REMOVAL/INSTALLATION.)
2. Disconnect the vacuum hose from the VIS shutter valve actuator.
3. Connect a vacuum pump to the VIS shutter valve actuator.
4. Apply vacuum and verify that the rod moves.
If the rod dose not move, replace the intake ma ...