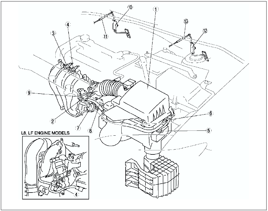
INTAKE-AIR SYSTEM


FUEL SYSTEM
Engine Room Side

Fuel tank side


EMISSION SYSTEM
Engine room side


CONTROL SYSTEM


Engine tune-upMazda 6 Service Manual: Battery
WARNING
Wash hands after handling the battery and related accessories: Battery
posts, terminals and related accessories contain lead and lead compounds, chemicals
known to the State of California to cause cancer and reproductive harm.
Read the following precautions
carefully before using th ...
Mazda 6 Service Manual: Blind Spot Monitoring (BSM) Warning Indicator Lights/Display Indicator/ Blind
Spot Monitoring (BSM) Warning Beep
The Blind Spot Monitoring (BSM) or Rear Cross Traffic Alert (RCTA) system notifies
the driver of the presence of vehicles in adjacent lanes or at the rear of the vehicle
using the Blind Spot Monitoring (BSM) warning indicator light, the warning sound
and the display indicator (vehicles with mu ...